Product Summary
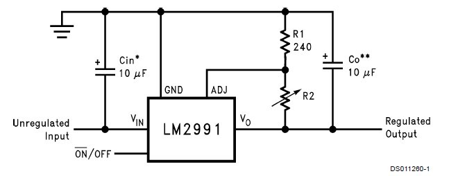
The LM2991S+ is a low dropout adjustable negative regulator with a output voltage range between -3V to -24V. The LM2991S+ provides up to 1A of load current and features a On/Off pin for remote shutdown capability. The LM2991S+ uses new circuit design techniques to provide a low dropout voltage, low quiescent current and low temperature coefficient precision reference. The dropout voltage at 1A load current is typically 0.6V and a guaranteed worst-case maximum of 1V over the entire operating temperature range. The LM2991S+ is short-circuit proof, and thermal shutdown includes hysteresis to enhance the reliability of the LM2991S+ when inadvertently overloaded for extended periods. The applications of LM2991S+ are: Post switcher regulator, Local, on-card, regulation, Battery operated equipment.
Parametrics
LM2991S+ absolute maximum ratings: (1)Input Voltage: -26V to +0.3V; (2)ESD Susceptibility (Note 2): 2 kV; (3)Power Dissipation (Note 3): Internally limited; (4)Junction Temperature (TJmax): 125℃; (5)Storage Temperature Range: -65°C to +150℃; (6)Lead Temperature (Soldering, 10 sec.): 230℃.
Features
LM2991S+ features: (1)Output voltage adjustable from -3V to -24V, typically -2V to -25V; (2)Output current iexcess of 1A; (3)Dropout voltage typically 0.6V at 1A load; (4)Low quiescent current; (5)Internal short circuit current limit; (6)Internal thermal shutdowwith hysteresis; (7)TTL, CMOS compatible ON/OFF switch; (8)Functional complement to the LM2941 series.
Diagrams

![]() |
![]() LM2900D |
![]() Texas Instruments |
![]() Operational Amplifiers - Op Amps Quadruple Oper Amplifier |
![]() Data Sheet |
![]()
|
|
||||||||||||
![]() |
![]() LM2900DE4 |
![]() Texas Instruments |
![]() Operational Amplifiers - Op Amps Quadruple Oper Amplifier |
![]() Data Sheet |
![]()
|
|
||||||||||||
![]() |
![]() LM2900DG4 |
![]() Texas Instruments |
![]() Operational Amplifiers - Op Amps Quad Op Amp |
![]() Data Sheet |
![]()
|
|
||||||||||||
![]() |
![]() LM2900DR |
![]() Texas Instruments |
![]() Operational Amplifiers - Op Amps Quad Op Amp |
![]() Data Sheet |
![]()
|
|
||||||||||||
![]() |
![]() LM2900DRE4 |
![]() Texas Instruments |
![]() Operational Amplifiers - Op Amps Quadruple Oper Amplifier |
![]() Data Sheet |
![]()
|
|
||||||||||||
![]() |
![]() LM2900DRG4 |
![]() Texas Instruments |
![]() Operational Amplifiers - Op Amps Quad Op Amp |
![]() Data Sheet |
![]()
|
|
||||||||||||
(Hong Kong)








