Product Summary
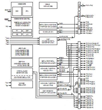
The MC9S08AW60CFUE is a low-cost, high-performance, 8-bit microcontroller unit (MCU). It uses the enhanced HCS08 core and are available with a variety of modules, memory sizes, memory types, and package types.
Parametrics
MC9S08AW60CFUE absolute maximum ratings: (1)Supply voltage, VDD: –0.3 to + 5.8 V; (2)Input voltage, VIn: – 0.3 to VDD + 0.3 V; (3)Instantaneous maximum current, Single pin limit (applies to all port pins), ID: ± 25 mA; (4)Maximum current into VDD, IDD: 120 mA; (5)Storage temperature, Tstg: –55 to +150℃; (6)Maximum junction temperature, TJ: 150℃.
Features
MC9S08AW60CFUE features: (1)40-MHz HCS08 CPU (central processor unit); (2)20-MHz internal bus frequency; (3)HC08 instruction set with added BGND instruction; (4)Single-wire background debug mode interface; (5)Breakpoint capability to allow single break point setting during in-circuit debugging (plus two more breakpoints in on-chip debug module); (6)On-chip real-time in-circuit emulation (ICE) with two comparators (plus one in BDM), nine trigger modes, and on-chip bus capture buffer. Typically shows approximately 50 instructions before or after the trigger point; (7)Support for up to 32 interrupt/reset sources; (8)Up to 60 KB of on-chip in-circuit programmable FLASH memory with block protection and security options; (9)Up to 2 KB of on-chip RAM; (10)Optional computer operating properly (COP) reset; (11)Low-voltage detection with reset or interrupt; (12)Illegal opcode detection with reset; (13)Illegal address detection with reset (some devices don’t have illegal addresses).
Diagrams

| Image | Part No | Mfg | Description | ![]() |
Pricing (USD) |
Quantity | ||||||||||||
|---|---|---|---|---|---|---|---|---|---|---|---|---|---|---|---|---|---|---|
![]() |
![]() MC9S08AW60CFUE |
![]() Freescale Semiconductor |
![]() 8-bit Microcontrollers (MCU) 8 BIT 60K FLASH 4K RAM |
![]() Data Sheet |
![]()
|
|
||||||||||||
![]() |
![]() MC9S08AW60CFUER |
![]() Freescale Semiconductor |
![]() 8-bit Microcontrollers (MCU) 8 BIT 16K FLASH |
![]() Data Sheet |
![]()
|
|
||||||||||||
(Hong Kong)









