Product Summary
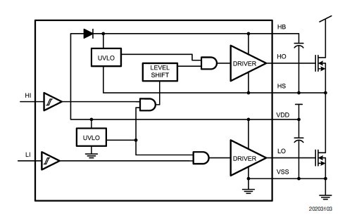
The LM5100AMX+ High Voltage Gate Driver is designed to drive both the high-side and the low-side N-Channel MOSFETs in a synchronous buck or a half-bridge configuration. The floating high-side driver is capable of operating with supply voltages up to 100V. The LM5100AMX+ provides a full 3A of gate drive. The outputs are independently controlled with CMOS input thresholds. An integrated high voltage diode is provided to charge the highside gate drive bootstrap capacitor. A robust level shifter operates at high speed while consuming low power and providing clean level transitions from the control logic to the high-side gate driver. Under-voltage lockout is provided on both the low-side and the high-side power rails. The LM5100AMX+ is available in the standard SOIC - 8 pin and the LLP-10 pin packages. The applications of the LM5100AMX+ are: Current Fed push-pull converters, Half and Full Bridge power converters, Synchronous buck converters, Two switch forward power converters, Forward with Active Clamp converters.
Parametrics
LM5100AMX+ absolute maximum ratings: (1)VDD to VSS: -0.3V to +18V; (2)HB to HS: -0.3V to +18V; (3)LI or HI Input: -0.3V to VDD +0.3V; (4)LO Output: -0.3V to VDD +0.3V; (5)HO Output VHS: -0.3V to VHB +0.3V; (6)HS to VSS (Note 6): -5V to +100V; (7)HB to VSS: 118V; (8)Junction Temperature: +150℃.
Features
LM5100AMX+ features: (1)Drives both a high-side and low-side N-Channel MOSFETs; (2)Independent high and low driver logic inputs; (3)Bootstrap supply voltage up to 118V DC; (4)Fast propagatiotimes (25 ns typical); (5)Drives 1000 pF load with 8 ns rise and fall times; (6)Excellent propagatiodelay matching (3 ns typical); (7)Supply rail under-voltage lockout; (8)Low power consumption; (9)Picompatible with HIP2100/HIP2101.
Diagrams

![]() |
![]() LM5100 |
![]() Other |
![]() |
![]() Data Sheet |
![]() Negotiable |
|
||||||||||||
![]() |
![]() LM5100A |
![]() Other |
![]() |
![]() Data Sheet |
![]() Negotiable |
|
||||||||||||
![]() |
![]() LM5100AM |
![]() National Semiconductor (TI) |
![]() Power Driver ICs |
![]() Data Sheet |
![]()
|
|
||||||||||||
![]() |
![]() LM5100AM/NOPB |
![]() National Semiconductor (TI) |
![]() Power Driver ICs 100V 3Amp 1/2-Bridge Driver |
![]() Data Sheet |
![]()
|
|
||||||||||||
![]() |
![]() LM5100AMR/NOPB |
![]() National Semiconductor (TI) |
![]() Power Driver ICs 100V 3Amp 1/2-Bridge Driver |
![]() Data Sheet |
![]()
|
|
||||||||||||
![]() |
![]() LM5100AMRX/NOPB |
![]() National Semiconductor (TI) |
![]() Power Driver ICs |
![]() Data Sheet |
![]()
|
|
||||||||||||
(Hong Kong)









