Product Summary
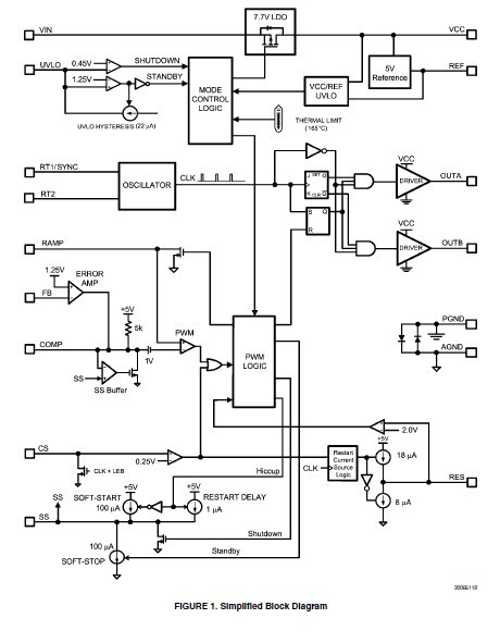
The LM25037MTX+ PWM controller contains all the features necessary to implement balanced double-ended power converter topologies, such as push-pull, half-bridge and full-bridge. The LM25037MTX+ can be configured for either voltage mode or current mode control with minimum external components. Two alternating gate drive outputs are provided, each capable of 1.2A peak output current. The LM25037MTX+ can be configured to operate directly from the input voltage rail over an ultra-wide range of 5.5V to 75V. Additional features include programmable maximum duty cycle limit, line under-voltage lockout, cycle-by-cycle current limit and a hiccup mode fault protection with adjustable timeout delay, soft-start and a 2 MHz capable oscillator with synchronization capability, precision reference and thermal shutdown.
Parametrics
LM25037MTX+ absolute maximum ratings: (1)VIN to GND: -0.3V to 76V; (2)VCC, RAMP , OUTA, OUTB to GND: -0.3V to 16V; (3)CS to GND: -0.3V to 1.0V; (4)UVLO, FB, RT2, RT1, SS, REF to GND: -0.3V to 7V; (5)ESD Rating, Human Body Model: 2kV; (6)Storage Temperature Range: -65℃ to + 150℃; (7)Junction Temperature: 150℃.
Features
LM25037MTX+ features: (1)Ultra wide input operating range from 5.5V to 75V; (2)Alternating outputs for double-ended topologies; (3)Current-mode or feed-forward voltage-mode control; (4)Programmable maximum duty cycle limit; (5)2.0% feedback reference accuracy; (6)High gain-bandwidth error amplifier; (7)Programmable line under-voltage lockout (UVLO) with adjustable hysteresis; (8)Versatile dual mode over-current protection with hiccup delay timer; (9)Programmable soft-start; (10)Precision 5V reference output; (11)Current sense leading edge blanking; (12)Resistor programmed 2 MHz capable oscillator; (13)Oscillator synchronization capability with low frequency lockout protection.
Diagrams

![]() |
![]() LM250 |
![]() Other |
![]() |
![]() Data Sheet |
![]() Negotiable |
|
||||||||||||
![]() |
![]() LM25005EVAL |
![]() National Semiconductor (TI) |
![]() Power Management IC Development Tools LM25005 EVAL BOARD |
![]() Data Sheet |
![]()
|
|
||||||||||||
![]() |
![]() LM25005MH |
![]() National Semiconductor (TI) |
![]() Switching Converters, Regulators & Controllers |
![]() Data Sheet |
![]()
|
|
||||||||||||
![]() |
![]() LM25005MH/NOPB |
![]() National Semiconductor (TI) |
![]() DC/DC Switching Regulators 42V,2.5A STEP-DOWN SWITCHING REG |
![]() Data Sheet |
![]()
|
|
||||||||||||
![]() |
![]() LM25005MHX |
![]() National Semiconductor (TI) |
![]() Switching Converters, Regulators & Controllers |
![]() Data Sheet |
![]()
|
|
||||||||||||
![]() |
![]() LM25005MHX/NOPB |
![]() National Semiconductor (TI) |
![]() Switching Converters, Regulators & Controllers |
![]() Data Sheet |
![]()
|
|
||||||||||||
(Hong Kong)









